
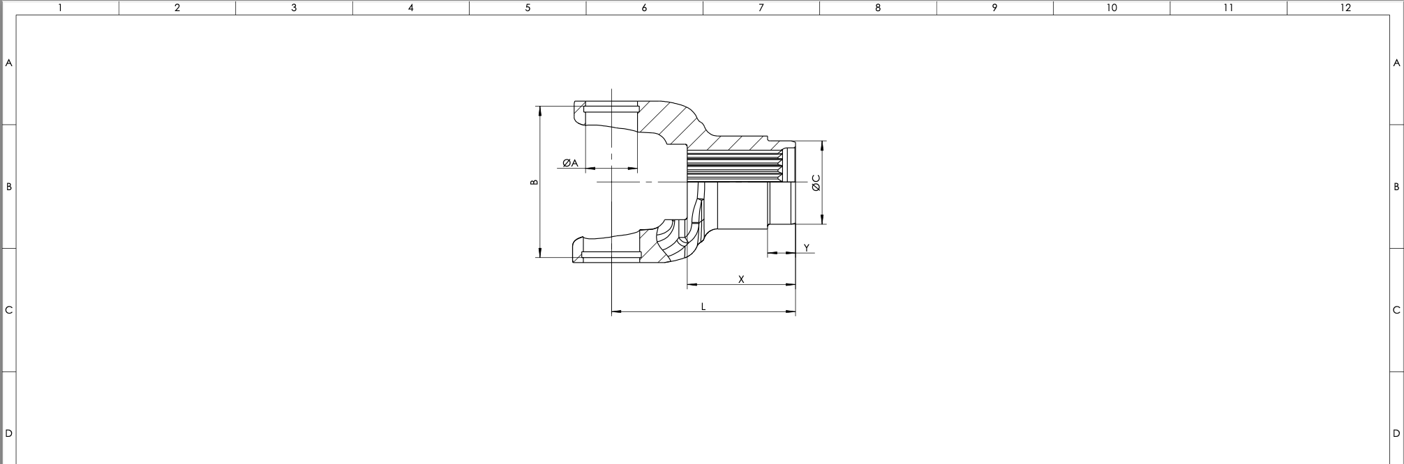
| PARÇA NO / PART NO | ØA | B | ØC | L | SPLINE | X | Y | ß° | ISTAVROZ / UJ |
| 114.3.AC.064.00 | 23,8 | 64,2 | 36 | 70 | T23;24/48;45° | 35,6 | 12 | 30 | Ø23,8x61,3 |
| 114.3.AC.065.00 | 23,8 | 64,2 | 36 | 70 | T24;24/48;45° | 35,6 | 12 | 30 | Ø23,8x61,3 |
| 114.3.AC.066.00 | 23,8 | 64,2 | 36 | 69,9 | T26;24/48;45° | 35,6 | 11,9 | 30 | Ø23,8x61,3 |
| 114.3.AC.066.03 | 23,8 | 64,2 | 36 | 78 | T26;24/48;45° | 45,9 | 11,9 | 90 | Ø23,8x61,3 |
| 130.3.AC.006.00 | 27 | 77,6 | 36 | 80,2 | T26;24/48;45° | 45,9 | 12,7 | 30 | Ø27,0x74,6 |
| 131.3.AC.041.00 | 27 | 84,8 | 36 | 80,2 | T26;24/48;45° | 45,9 | 12,7 | 30 | Ø27,0x81,8 |
| 133.3.AC.001.00 | 27 | 95 | 38,5 | 84,2 | T26;24/48;45° | 48,7 | 16 | 22 | Ø27,0x92,0 |
| 133.3.AC.002.00 | 27 | 95 | 38,5 | 78 | SAE 34,9 x10C | 41,5 | 16 | 22 | Ø27,0x92,0 |
| 134.3.AC.001.00 | 30 | 95 | 36 | 85,5 | T26;24/48;45° | 52 | 12,5 | 22 | Ø30,0x92,0 |
| 135.3.AC.002.00 | 30,2 | 95 | 36 | 85,5 | T26;24/48;45° | 52 | 12,5 | 22 | Ø30,2x92,0 |
| 135.3.AC.003.00 | 30,2 | 95 | 39 | 76 | SAE 34,9 x10C | 41,5 | 8 | 22 | Ø30,2x92,0 |
| 420.3.AC.001.00 | 30,2 | 84,8 | 36 | 80,2 | T26;24/48;45° | 45,9 | 12,7 | 25 | Ø30,2x81,8 |
Copyrights © 2024 All Rights Reserved.