
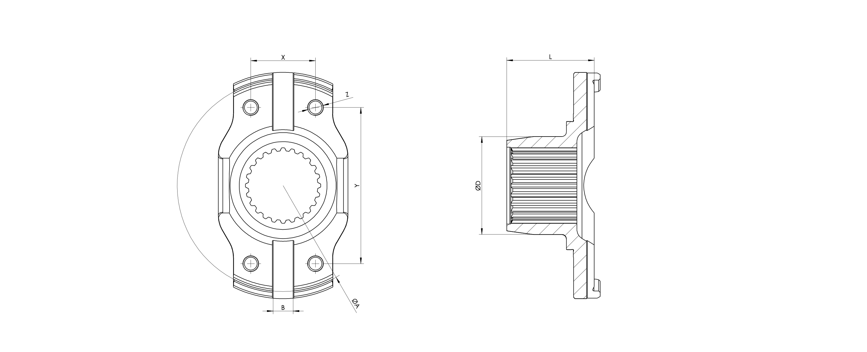
| PARÇA NO / PART NO | ØA | B | X | Y | Z | L | SPLINE | Spline Lenght | ØD | ß° | ISTAVROZ / UJ |
| 06C.3.AC.001.00 | 140,5 | 14,3 | 42,9 | 114,3 | M10x1,5 | 58 | N50x2x24 DIN5480 | 46,5 | 65 | ? | 6C |
| 06C.3.AC.002.00 | 140,5 | 14,3 | 42,9 | 114,3 | 3/8"-24 | 60,5 | N42x1,75x22DIN5480 | 35 | 50 | ? | 6C |
| 06C.3.AC.003.00 | 140,5 | 14,3 | 42,9 | 114,3 | 3/8"-24 | 62,5 | N42x1,75x22DIN5480 | 35 | 50 | ? | 6C |
| 06C.3.AC.003.01 | 140,5 | 14,3 | 42,9 | 114,3 | 3/8"-24 | 62,5 | N42x1,75x22DIN5480 | 35 | 50 | ? | 6C |
| 07C.3.AC.001.00 | 148,4 | 15,9 | 49,2 | 117,5 | 1/2"-20 | 67,7 | N42x1,75x22DIN5480 | 42,2 | 50 | ? | 7C |
| 07C.3.AC.001.01 | 148,4 | 15,9 | 49,2 | 117,5 | 1/2"-20 | 67,7 | N42x1,75x22DIN5480 | 42,2 | 50 | ? | 7C |
| 85C.3.AC.001.00 | 165,1 | 15,9 | 71,4 | 123,8 | M12x1,5 | 73,2 | N50x1,5x32-DIN5480 | 57 | 72 | ? | 8,5C |
| 85C.3.AC.002.00 | 165,1 | 15,9 | 71,4 | 123,8 | M12x1,5 | 88,2 | N80x2x38-DIN5480 | 67 | 120 | ? | 8,5C |
| 85C.3.AC.003.00 | 165,1 | 15,9 | 71,4 | 123,8 | 1/2"-20 | 80,5 | T55;M=1,25;37,5° | 48 | 120 | ? | 8,5C |
Copyrights © 2024 All Rights Reserved.