
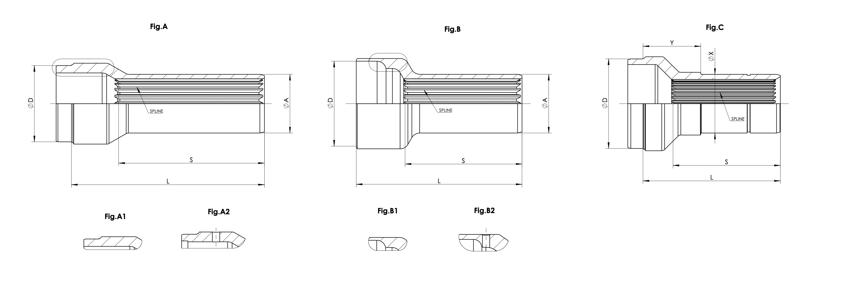
| PARÇA NO / PART NO | FIG | ØA | L | SPLINE | S | BORU / TUBE | ØX | Y | ØD |
| 000.3.KK.001.00 | C | N/A | 222,5 | 52x2,5x19-DIN5480 | 186 | Ø98x2,0 | 65 | 140 | 94,3 |
| 000.3.KK.007.01 | A1 | 85 | 227 | 72x2,5x27-DIN5480 | 175 | Ø100x6,0 | - | - | 88,3 |
| 000.3.KK.007.02 | A1 | 85 | 227 | 72x2,5x27-DIN5480 | 175 | Ø100x5,0 | - | - | 90,3 |
| 000.3.KK.008.01 | A1 | 95 | 227 | 80x2,5x30-DIN5480 | 180 | Ø110x6,0 | - | - | 98,3 |
| 000.3.KK.008.02 | A1 | 95 | 227 | 80x2,5x30-DIN5480 | 180 | Ø110x5,0 | - | - | 100,3 |
| 000.3.KK.009.00 | A1 | 52,1 | 169 | 42x1,75x22-DIN5480 | 140 | Ø75x2,2 | - | - | 70,9 |
| 000.3.KK.012.00 | A1 | 40,2 | 114 | 32x2x14-DIN5480 | 99 | Ø50x2,0 | - | - | 46,3 |
| 000.3.KK.014.00 | A1 | 52,1 | 169 | 42x1,75x22-DIN5480 | 140 | Ø75x3,2 | - | - | 68,9 |
| 000.3.KK.019.00 | A1 | 37 | 128 | 28x1,5x17-DIN5480 | 80 | Ø40x2,0 | - | - | 36,3 |
| 000.3.KK.020.00 | A1 | 37 | 138 | 28x1,5x17-DIN5480 | 105 | Ø40x2,0 | - | - | 36,3 |
| 000.3.KK.021.00 | A1 | 37 | 99 | 28x1,5x17-DIN5480 | 66 | Ø40x2,0 | - | - | 36,3 |
| 000.3.KK.022.00 | A1 | 37 | 89 | 28x1,5x17-DIN5480 | 66 | Ø40x2,0 | - | - | 36,3 |
| 130.3.KK.001.00 | A1 | 45 | 136 | 35x2x16-DIN5480 | 119 | Ø50x3,0 | - | - | 44,3 |
| 135.3.KK.003.00 | A1 | 48 | 157 | 38x2x18-DIN5480 | 125 | Ø52x4,0 | - | - | 44,3 |
| 135.3.KK.004.00 | A1 | 48 | 149 | 38x2x18-DIN5480 | 115 | Ø76,2x1,6 | - | - | 73,3 |
| 135.3.KK.005.00 | A1 | 48 | 149 | 38x2x18-DIN5480 | 115 | Ø76,2x2,4 | - | - | 71,7 |
| 135.3.KK.006.00 | A1 | 48 | 193,5 | 38x2x18-DIN5480 | 140 | Ø88,9x2,4 | - | - | 84,4 |
| 135.3.KK.007.00 | A1 | 48 | 157 | 38x2x18-DIN5480 | 130 | Ø70x3,0 | - | - | 64,3 |
| 135.3.KK.008.00 | A1 | 48 | 157 | 38x2x18-DIN5480 | 130 | Ø50x3,0 | - | - | 44,3 |
| 135.3.KK.010.00 | A1 | 48 | 157 | 38x2x18-DIN5480 | 130 | Ø50,8x2,4 | - | - | 46,3 |
| 135.3.KK.011.00 | B1 | 48 | 141,5 | 38x2x18-DIN5480 | 105 | Borusuz | - | - | 71,4 |
| 135.3.KK.012.00 | A1 | 48 | 160 | 38x2x18-DIN5480 | 140 | Ø76,2x2,4 | - | - | 71,7 |
| 135.3.KK.013.00 | C | N/A | 149 | 38x2x18-DIN5480 | 115 | Ø76,2x2,4 | 45 | 94,5 | 71,7 |
| 135.3.KK.014.00 | C | N/A | 151 | 38x2x18-DIN5480 | 115 | Ø70x2,0 | 47 | 106 | 66,2 |
| 135.3.KK.015.00 | C | N/A | 151 | 38x2x18-DIN5480 | 115 | Ø70x2,0 | 45 | 96,5 | 66,2 |
| 135.3.KK.017.00 | A1 | 48 | 190 | 38x2x18-DIN5480 | 155 | Ø76,2x2,4 | - | - | 71,7 |
| 135.3.KK.018.00 | A1 | 48 | 186 | 38x2x18-DIN5480 | 160 | Ø70x3,0 | - | - | 64,3 |
| 135.3.KK.019.00 | C | N/A | 151 | 38x2x18-DIN5480 | 115 | Ø70x3,0 | 45 | 96,5 | 64,3 |
| 135.3.KK.021.00 | A1 | 48 | 149 | 38x2x18-DIN5480 | 115 | Ø70x2,0 | - | - | 66,6 |
| 135.3.KK.023.00 | A1 | 48 | 183 | 38x2x18-DIN5480 | 155 | Ø50x3,0 | - | - | 44,3 |
| 135.3.KK.024.00 | A1 | 48 | 183 | 38x2x18-DIN5480 | 155 | Ø60x3,0 | - | - | 54,3 |
| 135.3.KK.025.00 | A1 | 48 | 177 | 38x2x18-DIN5480 | 155 | Ø60x3,0 | - | - | 54,3 |
| 135.3.KK.026.00 | A1 | 48 | 147 | 38x2x18-DIN5480 | 125 | Ø60x3,0 | - | - | 54,3 |
| 135.3.KK.027.00 | C | N/A | 149 | 38x2x18-DIN5480 | 115 | Ø76,2x2,4 | 47 | 104 | 71,7 |
| 135.3.KK.028.00 | C | N/A | 149 | 38x2x18-DIN5480 | 115 | Ø76,2x2,4 | 45 | 94,5 | 71,7 |
| 135.3.KK.029.00 | A1 | 48 | 193,5 | 38x2x18-DIN5480 | 135 | Ø63,5x2,1 | - | - | 59,6 |
| 135.3.KK.030.00 | A1 | 48 | 149 | 38x2x18-DIN5480 | 115 | Ø70x3,0 | - | - | 64,3 |
| 135.3.KK.031.00 | A1 | 48 | 135 | 38x2x18-DIN5480 | 105 | Ø76,2x1,6 | - | - | 73,3 |
| 135.3.KK.032.00 | A1 | 48 | 135 | 38x2x18-DIN5480 | 105 | Ø76,2x2,4 | - | - | 71,7 |
| 135.3.KK.033.00 | A1 | 48 | 135 | 38x2x18-DIN5480 | 105 | Ø70x3,0 | - | - | 64,3 |
| 135.3.KK.036.00 | A1 | 48 | 193,5 | 38x2x18-DIN5480 | 155 | Ø63,5x2,4 | - | - | 59 |
| 135.3.KK.037.00 | A1 | 48 | 149 | 38x2x18-DIN5480 | 115 | Ø75x2,0 | - | - | 71,3 |
| 135.3.KK.038.00 | C | N/A | 149 | 38x2x18-DIN5480 | 115 | Ø75x2,0 | 47 | 104 | 71,3 |
| 135.3.KK.039.00 | A1 | 48 | 220 | 38x2x18-DIN5480 | 140 | Ø50x3,0 | - | - | 44,3 |
| 135.3.KK.040.00 | A1 | 48 | 220 | 38x2x18-DIN5480 | 140 | Ø60x3,0 | - | - | 54,3 |
| 135.3.KK.041.00 | B1 | 48 | 170 | 38x2x18-DIN5480 | 130 | Borusuz | - | - | 54,1 |
| 135.3.KK.042.00 | B1 | 48 | 138,5 | 38x2x18-DIN5480 | 110 | Borusuz | - | - | 54,1 |
| 135.3.KK.043.00 | B1 | 48 | 171 | 38x2x18-DIN5480 | 135 | Borusuz | - | - | 44,1 |
| 135.3.KK.044.00 | B1 | 48 | 197 | 38x2x18-DIN5480 | 155 | Borusuz | - | - | 55,1 |
| 135.3.KK.045.00 | C | N/A | 149 | 38x2x18-DIN5480 | 115 | Ø76,2x1,6 | 47 | 104 | 73,3 |
| 135.3.KK.046.00 | A1 | 45 | 145 | 38x2x18-DIN5480 | 115 | Ø90x3,0 | - | - | 84,3 |
| 135.3.KK.048.00 | A1 | 48 | 149 | 38x2x18-DIN5480 | 117 | Ø63,5x2,4 | - | - | 59 |
| 135.3.KK.049.00 | A1 | 48 | 177 | 38x2x18-DIN5480 | 155 | Ø60x2,0 | - | - | 56,3 |
| 135.3.KK.050.00 | B2 | 48 | 153 | 38x2x18-DIN5480 | 105 | Borusuz | - | - | 71,4 |
| 143.3.KK.001.00 | A1 | 52,1 | 190 | 42x2x20-DIN5480 | 156 | Ø60,0x4,0 | - | - | 52,3 |
| 143.3.KK.001.01 | A1 | 52,1 | 190 | 42x2x20-DIN5480 | 156 | Ø60,0x4,0 | - | - | 52,3 |
| 143.3.KK.002.00 | A1 | 52,1 | 168 | 42x2x20-DIN5480 | 134 | Ø60,0x4,0 | - | - | 52,3 |
| 151.3.KK.008.00 | B1 | 62,2 | 158 | 50x2x24-DIN5480 | 146 | Borusuz | - | - | 61 |
| 151.3.KK.009.00 | A1 | 62,2 | 177 | 50x2x24-DIN5480 | 160 | Ø80x7,0 | - | - | 66,3 |
| 151.3.KK.011.00 | A1 | 62,2 | 187 | 50x2x24-DIN5480 | 160 | Ø70x4,0 | - | - | 62,3 |
| 151.3.KK.012.00 | B1 | 62,2 | 174 | 50x2x24-DIN5480 | 130 | Borusuz | - | - | 62,2 |
| 160.3.KK.009.00 | A2 | 75 | 288 | 60x2,5x22-DIN5480 | 220 | Ø91x4,5 | - | - | 82,3 |
| 160.3.KK.010.00 | B2 | 75 | 238 | 60x2,5x22-DIN5480 | 170 | Borusuz | - | - | 76,2 |
| 160.3.KK.011.00 | B2 | 75 | 284 | 60x2,5x22-DIN5480 | 200 | Borusuz | - | - | 76,2 |
| 160.3.KK.012.00 | A2 | 75 | 288 | 60x2,5x22-DIN5480 | 200 | Ø91x4,5 | - | - | 82,3 |
| 160.3.KK.012.01 | A2 | 75 | 288 | 60x2,5x22-DIN5480 | 200 | Ø91x4,5 | - | - | 82,3 |
| 160.3.KK.012.02 | A2 | 75 | 288 | 60x2,5x22-DIN5480 | 200 | Ø91x4,5 | - | - | 82,3 |
| 160.3.KK.013.00 | B1 | 75 | 281 | 60x2,5x22-DIN5480 | 205 | Borusuz | - | - | 76,2 |
| 160.3.KK.015.00 | B1 | 75 | 251 | 60x2,5x22-DIN5480 | 205 | Borusuz | - | - | 76,2 |
| 160.3.KK.017.00 | B2 | 75 | 189 | 60x2,5x22-DIN5480 | 129 | Borusuz | - | - | 76,2 |
| 160.3.KK.018.00 | A1 | 75 | 140 | 60x2,5x22-DIN5480 | 124 | Ø92x7,0 | - | - | 78,3 |
| 381.3.KK.001.00 | A2 | 65 | 213 | 55x2,5x20-DIN5480 | 160 | Ø90x2,5 | - | - | 85,3 |
| 381.3.KK.004.00 | A2 | 65 | 213 | 55x2,5x20-DIN5480 | 160 | Ø88,9x2,4 | - | - | 84,4 |
| 381.3.KK.009.00 | B1 | 65 | 148 | 55x2,5x20-DIN5480 | 100 | Borusuz | - | - | 94 |
| 381.3.KK.010.00 | B1 | 65 | 183 | 55x2,5x20-DIN5480 | 125 | Borusuz | - | - | 94 |
| 381.3.KK.012.00 | A1 | 70,2 | 185 | 55x2,5x20-DIN5480 | 152 | Ø80x4,0 | - | - | 72,3 |
| 381.3.KK.012.02 | A2 | 70,2 | 185 | 55x2,5x20-DIN5480 | 152 | Ø80x4,0 | - | - | 72,3 |
| 381.3.KK.014.00 | A2 | 65 | 185 | 55x2,5x20-DIN5480 | 152 | Ø80x4,0 | - | - | 72,3 |
| 381.3.KK.016.00 | B1 | 70,2 | 210 | 55x2,5x20-DIN5480 | 160 | Borusuz | - | - | 68 |
| 381.3.KK.017.00 | B1 | 70,2 | 177 | 55x2,5x20-DIN5480 | 147 | Borusuz | - | - | 68 |
| 381.3.KK.019.00 | A2 | 70,2 | 185 | 55x2,5x20-DIN5480 | 152 | Ø80x4,0 | - | - | 72,3 |
| 381.3.KK.025.00 | A2 | 65 | 213 | 55x2,5x20-DIN5480 | 150 | Ø90x4,0 | - | - | 82,3 |
| 381.3.KK.026.00 | B1 | 65 | 230 | 55x2,5x20-DIN5480 | 150 | Borusuz | - | - | 82,1 |
| 381.3.KK.027.00 | C | N/A | 224 | 55x2,5x20-DIN5480 | 183 | Ø98x2,0 | 65 | 141,5 | 94,3 |
| 381.3.KK.028.00 | A2 | 65 | 200 | 55x2,5x20-DIN5480 | 160 | Ø100x3,0 | - | - | 94,3 |
| 381.3.KK.029.00 | A1 | 65 | 270 | 55x2,5x20-DIN5480 | 230 | Ø90x4,0 | - | - | 82,3 |
| 381.3.KK.030.00 | A1 | 65 | 206 | 55x2,5x20-DIN5480 | 150 | Ø80x3,0 | - | - | 74,2 |
| 381.3.KK.031.00 | A1 | 65 | 206 | 55x2,5x20-DIN5480 | 150 | Ø90x3,0 | - | - | 84,3 |
| 381.3.KK.032.00 | A2 | 65 | 206 | 55x2,5x20-DIN5480 | 150 | Ø88x4,0 | - | - | 80,3 |
| 381.3.KK.033.00 | A1 | 70 | 196 | 55x2,5x20-DIN5480 | 161 | Ø90x3,0 | - | - | 84,3 |
| 381.3.KK.033.01 | A2 | 70 | 196 | 55x2,5x20-DIN5480 | 161 | Ø90x3,0 | - | - | 84,3 |
| 381.3.KK.034.00 | A1 | 70 | 196 | 55x2,5x20-DIN5480 | 161 | Ø80x3,0 | - | - | 74,3 |
| 385.3.KK.003.00 | A2 | 81 | 233 | 65x2,5x24-DIN5480 | 190 | Ø92x5,0 | - | - | 82,3 |
| 385.3.KK.004.00 | B1 | 81 | 214 | 65x2,5x24-DIN5480 | 154 | Borusuz | - | - | 82 |
| 385.3.KK.005.00 | A2 | 81 | 233 | 65x2,5x24-DIN5480 | 190 | Ø90x5,5 | - | - | 79,3 |
| 385.3.KK.006.00 | B1 | 81 | 185 | 65x2,5x24-DIN5480 | 135 | Borusuz | - | - | 82 |
| 385.3.KK.011.00 | A2 | 81 | 175 | 65x2,5x24-DIN5480 | 135 | Ø100x6,0 | - | - | 88,3 |
| 385.3.KK.012.00 | B1 | 81 | 245 | 65x2,5x24-DIN5480 | 184 | Borusuz | - | - | 78 |
| 385.3.KK.013.00 | B1 | 81 | 231 | 65x2,5x24-DIN5480 | 184 | Borusuz | - | - | 78 |
| 385.3.KK.014.00 | B1 | 81 | 231 | 65x2,5x24-DIN5480 | 184 | Borusuz | - | - | 82 |
| 385.3.KK.015.00 | A2 | 81 | 235 | 65x2,5x24-DIN5480 | 184 | Ø101x5,5 | - | - | 90,3 |
| 385.3.KK.017.00 | A2 | 81 | 235 | 65x2,5x24-DIN5480 | 190 | Ø100x5,0 | - | - | 90,3 |
| 385.3.KK.018.00 | B2 | 81 | 220 | 65x2,5x24-DIN5480 | 165 | Borusuz | - | - | 82 |
| 385.3.KK.018.01 | B2 | 81 | 220 | 65x2,5x24-DIN5480 | 165 | Borusuz | - | - | 82 |
| 385.3.KK.019.00 | B2 | 81,2 | 237 | 65x2,5x24-DIN5480 | 165 | Borusuz | - | - | 82 |
| 385.3.KK.019.01 | B2 | 81 | 237 | 65x2,5x24-DIN5480 | 165 | Borusuz | - | - | 82 |
| 385.3.KK.020.00 | B1 | 81 | 245 | 65x2,5x24-DIN5480 | 180 | Borusuz | - | - | 82 |
| 385.3.KK.021.00 | A2 | 81 | 233 | 65x2,5x24-DIN5480 | 190 | Ø92x6,5 | - | - | 79,3 |
| 385.3.KK.022.00 | A2 | 81 | 273 | 65x2,5x24-DIN5480 | 210 | Ø92x5,0 | - | - | 82,3 |
| 385.3.KK.023.00 | A2 | 81 | 273 | 65x2,5x24-DIN5480 | 210 | Ø90x5,5 | - | - | 79,3 |
| 385.3.KK.025.00 | B2 | 81 | 259 | 65x2,5x24-DIN5480 | 192 | Borusuz | - | - | 82 |
| 385.3.KK.026.00 | A2 | 81 | 280 | 65x2,5x24-DIN5480 | 210 | Ø100x5,0 | - | - | 90,3 |
| 385.3.KK.028.00 | A1 | 81 | 140 | 65x2,5x24-DIN5480 | 80 | Ø100x6,0 | - | - | 88,3 |
| 385.3.KK.029.00 | A2 | 81 | 235 | 65x2,5x24-DIN5480 | 190 | Ø100x5,0 | - | - | 90,3 |
| 385.3.KK.030.00 | A2 | 81 | 233 | 65x2,5x24-DIN5480 | 190 | Ø90x6,0 | - | - | 82,3 |
| 385.3.KK.034.00 | A2 | 81 | 280 | 65x2,5x24-DIN5480 | 220 | Ø100x5,0 | - | - | 90,3 |
| 385.3.KK.035.00 | A2 | 81 | 280 | 65x2,5x24-DIN5480 | 235 | Ø100x5,0 | - | - | 90,3 |
| 385.3.KK.040.00 | A1 | 81 | 127,5 | 65x2,5x24-DIN5480 | 105 | Ø92x5,0 | - | - | 82,3 |
| 385.3.KK.041.00 | A1 | 81 | 106 | 65x2,5x24-DIN5480 | 85 | Ø92x5,0 | - | - | 82,3 |
| 385.3.KK.043.00 | A2 | 81 | 230 | 65x2,5x24-DIN5480 | 180 | Ø100x6,0 | - | - | 88,3 |
| 389.3.KK.001.00 | A1 | 86 | 263 | 72x2,5x27-DIN5480 | 195 | Ø100x5,0 | - | - | 90,3 |
| 389.3.KK.001.02 | A2 | 86 | 263 | 72x2,5x27-DIN5480 | 195 | Ø100x5,0 | - | - | 90,3 |
| 389.3.KK.001.03 | A1 | 86 | 263 | 72x2,5x27-DIN5480 | 195 | Ø100x5,0 | - | - | 90,3 |
| 389.3.KK.003.00 | B1 | 86 | 283 | 72x2,5x27-DIN5480 | 195 | Borusuz | - | - | 90 |
| 389.3.KK.005.00 | A1 | 86 | 283 | 72x2,5x27-DIN5480 | 222 | Ø100x5,0 | - | - | 90,3 |
| 389.3.KK.006.00 | B1 | 86 | 236 | 72x2,5x27-DIN5480 | 195 | Borusuz | - | - | 90 |
| 389.3.KK.007.00 | A1 | 86 | 276 | 72x2,5x27-DIN5480 | 203 | Ø100x5,0 | - | - | 90,3 |
| 389.3.KK.008.00 | B1 | 86 | 250 | 72x2,5x27-DIN5480 | 182 | Borusuz | - | - | 90 |
| 389.3.KK.009.00 | B1 | 86 | 265 | 72x2,5x27-DIN5480 | 180 | Borusuz | - | - | 90 |
| 389.3.KK.011.00 | B1 | 86 | 275 | 72x2,5x27-DIN5480 | 195 | Borusuz | - | - | 90 |
| 389.3.KK.013.00 | A1 | 86 | 248 | 72x2,5x27-DIN5480 | 185 | Ø100x5,0 | - | - | 90,3 |
| 389.3.KK.017.00 | A1 | 86 | 263 | 72x2,5x27-DIN5480 | 195 | Ø100x6,0 | - | - | 88,3 |
| 389.3.KK.017.01 | A2 | 86 | 263 | 72x2,5x27-DIN5480 | 195 | Ø100x6,0 | - | - | 88,3 |
| 389.3.KK.017.02 | A1 | 86 | 263 | 72x2,5x27-DIN5480 | 195 | Ø100x6,0 | - | - | 88,3 |
| 389.3.KK.018.00 | A2 | 86 | 263 | 72x2,5x27-DIN5480 | 195 | Ø100x4,0 | - | - | 92,3 |
| 389.3.KK.019.00 | B1 | 86 | 194 | 72x2,5x27-DIN5480 | 150 | Borusuz | - | - | 92,2 |
| 389.3.KK.020.00 | B1 | 86 | 260 | 72x2,5x27-DIN5480 | 190 | Borusuz | - | - | 90 |
| 389.3.KK.021.00 | B1 | 86 | 204 | 72x2,5x27-DIN5480 | 160 | Borusuz | - | - | 92,2 |
| 389.3.KK.022.00 | B1 | 86 | 270 | 72x2,5x27-DIN5480 | 190 | Borusuz | - | - | 90 |
| 395.3.KK.001.00 | A2 | 95 | 236 | 80x2,5x30-DIN5480 | 190 | Ø110x5,0 | - | - | 100,3 |
| 395.3.KK.002.00 | A2 | 95 | 227 | 80x2,5x30-DIN5480 | 190 | Ø108x5,5 | - | - | 97,3 |
| 395.3.KK.004.00 | A1 | 95 | 250 | 80x2,5x30-DIN5480 | 210 | Ø120x6,0 | - | - | 108,3 |
| 395.3.KK.006.00 | A2 | 95 | 293 | 80x2,5x30-DIN5480 | 220 | Ø110x6,0 | - | - | 98,3 |
| 395.3.KK.008.00 | A2 | 95 | 236 | 80x2,5x30-DIN5480 | 180 | Ø110x6,0 | - | - | 98,3 |
| 395.3.KK.009.00 | A2 | 95 | 258 | 80x2,5x30-DIN5480 | 189 | Ø140x5,0 | - | - | 130,3 |
| 395.3.KK.009.01 | A1 | 95 | 258 | 80x2,5x30-DIN5480 | 190 | Ø140x5,0 | - | - | 130,3 |
| 395.3.KK.010.00 | A2 | 95 | 298 | 80x2,5x30-DIN5480 | 230 | Ø110x6,0 | - | - | 98,3 |
| 395.3.KK.010.01 | A1 | 95 | 298 | 80x2,5x30-DIN5480 | 230 | Ø110x6,0 | - | - | 98,3 |
| 395.3.KK.010.02 | A2 | 95 | 298 | 80x2,5x30-DIN5480 | 230 | Ø110x6,0 | - | - | 98,3 |
| 395.3.KK.011.00 | A2 | 95 | 304 | 80x2,5x30-DIN5480 | 230 | Ø120x6,0 | - | - | 108,3 |
| 395.3.KK.012.00 | A2 | 95 | 298 | 80x2,5x30-DIN5480 | 230 | Ø110x6,5 | - | - | 97,3 |
| 395.3.KK.014.00 | A1 | 95 | 212 | 80x2,5x30-DIN5480 | 150 | Ø130x6,0 | - | - | 118,3 |
| 395.3.KK.014.01 | A2 | 95 | 212 | 80x2,5x30-DIN5480 | 150 | Ø130x6,0 | - | - | 118,3 |
| 395.3.KK.015.00 | B1 | 95 | 211 | 80x2,5x30-DIN5480 | 150 | Borusuz | - | - | 98 |
| 395.3.KK.017.00 | B1 | 95 | 133 | 80x2,5x30-DIN5480 | 90 | Borusuz | - | - | 118,2 |
| 395.3.KK.018.00 | B1 | 95 | 243 | 80x2,5x30-DIN5480 | 160 | Borusuz | - | - | 118,2 |
| 420.3.KK.001.00 | A1 | 60,2 | 134 | 45x1,5x28-DIN5480 | 100 | Ø76,2x1,6 | - | - | 73,3 |
| 420.3.KK.002.00 | A1 | 60,2 | 134 | 45x1,5x28-DIN5480 | 100 | Ø76,2x2,4 | - | - | 71,7 |
| 420.3.KK.002.01 | A2 | 60,2 | 134 | 45x1,5x28-DIN5480 | 100 | Ø76,2x2,4 | - | - | 71,7 |
| 420.3.KK.003.00 | A1 | 60,2 | 151 | 45x1,5x28-DIN5480 | 105 | Ø84,1x1,7 | - | - | 90 |
| 420.3.KK.004.00 | A1 | 60,2 | 151 | 45x1,5x28-DIN5480 | 105 | Ø88,9x2,4 | - | - | 84,4 |
| 420.3.KK.005.00 | A1 | 60,2 | 151 | 45x1,5x28-DIN5480 | 105 | Ø82,6x2,3 | - | - | 78,3 |
| 420.3.KK.007.00 | A1 | 60,2 | 151 | 45x1,5x28-DIN5480 | 105 | Ø76,2x2,4 | - | - | 71,7 |
| 420.3.KK.008.00 | B1 | 60,2 | 150 | 45x1,5x28-DIN5480 | 105 | Borusuz | - | - | 73,1 |
| 420.3.KK.009.00 | A1 | 59,8 | 127 | 45x1,5x28-DIN5480 | 98 | Ø88,9x2,4 | - | - | 84,4 |
| 420.3.KK.010.00 | A2 | 60,2 | 162 | 45x1,5x28-DIN5480 | 120 | Ø76,2x2,4 | - | - | 71,7 |
| 420.3.KK.010.01 | A1 | 60,2 | 162 | 45x1,5x28-DIN5480 | 120 | Ø76,2x2,4 | - | - | 71,7 |
| 424.3.KK.001.00 | A1 | 55,3 | 175 | 45x2,5x16-DIN5480 | 150 | Ø70x3,0 | - | - | 64,3 |
| 424.3.KK.001.01 | A2 | 55,3 | 175 | 45x2,5x16-DIN5480 | 150 | Ø70x3,0 | - | - | 64,3 |
| 424.3.KK.003.00 | A1 | 55,3 | 164 | 45x2,5x16-DIN5480 | 133 | Ø88,9x2,4 | - | - | 84,4 |
| 424.3.KK.004.00 | A1 | 55,3 | 164 | 45x2,5x16-DIN5480 | 133 | Ø90x3,0 | - | - | 84,3 |
| 424.3.KK.005.00 | A1 | 55,3 | 144 | 45x2,5x16-DIN5480 | 113 | Ø70x3,0 | - | - | 64,3 |
| 424.3.KK.006.00 | A1 | 55,3 | 196 | 45x2,5x16-DIN5480 | 167 | Ø70x3,0 | - | - | 64,3 |
| 424.3.KK.009.00 | A1 | 55,3 | 144 | 45x2,5x16-DIN5480 | 115 | Ø88,9x2,4 | - | - | 84,4 |
| 424.3.KK.011.00 | A2 | 55,3 | 196 | 45x2,5x16-DIN5480 | 167 | Ø80x3,0 | - | - | 74,3 |
| 424.3.KK.012.00 | A1 | 55,3 | 196 | 45x2,5x16-DIN5480 | 167 | Ø80x3,0 | - | - | 74,3 |
| 424.3.KK.013.00 | A1 | 55,3 | 211 | 45x2,5x16-DIN5480 | 167 | Ø90x3,0 | - | - | 84,3 |
| 730.3.KK.001.00 | A1 | 60 | 181 | 48x1,5x30-DIN5480 | 140 | Ø88,9x2,4 | - | - | 84,4 |
| 730.3.KK.001.01 | A1 | 60 | 175 | 48x1,5x30-DIN5480 | 140 | Ø88,9x2,4 | - | - | 84,4 |
| 730.3.KK.001.02 | A2 | 60 | 181 | 48x1,5x30-DIN5480 | 140 | Ø88,9x2,4 | - | - | 84,4 |
| 730.3.KK.002.00 | A1 | 60 | 181 | 48x1,5x30-DIN5480 | 140 | Ø76,2x2,4 | - | - | 71,7 |
| 730.3.KK.002.01 | A2 | 60 | 181 | 48x1,5x30-DIN5480 | 140 | Ø76,2x2,4 | - | - | 71,7 |
| 730.3.KK.003.00 | A1 | 60 | 144 | 48x1,5x30-DIN5480 | 105 | Ø88,9x2,4 | - | - | 84,4 |
| 730.3.KK.004.00 | A1 | 60 | 144 | 48x1,5x30-DIN5480 | 105 | Ø76,2x2,4 | - | - | 71,7 |
| 730.3.KK.005.00 | A1 | 60 | 153 | 48x1,5x30-DIN5480 | 105 | Ø90x3,0 | - | - | 84,3 |
| 730.3.KK.006.00 | A1 | 60 | 119 | 48x1,5x30-DIN5480 | 85 | Ø76,2x2,4 | - | - | 71,7 |
| 730.3.KK.007.00 | A1 | 60 | 153 | 48x1,5x30-DIN5480 | 114 | Ø88,9x2,4 | - | - | 84,4 |
| 730.3.KK.008.00 | B1 | 60 | 189 | 48x1,5x30-DIN5480 | 140 | Borusuz | - | - | 84,2 |
| 730.3.KK.010.00 | C | N/A | 186 | 48x1,5x30-DIN5480 | 154 | Ø88,9x2,4 | 60 | 96 | 84,4 |
| 730.3.KK.011.00 | A1 | 60 | 175 | 48x1,5x30-DIN5480 | 145 | Ø88,9x2,4 | - | - | 84,4 |
| 730.3.KK.012.00 | B1 | 60 | 142 | 48x1,5x30-DIN5480 | 100 | Borusuz | - | - | 71,5 |
| 730.3.KK.013.00 | B1 | 60 | 186,6 | 48x1,5x30-DIN5480 | 140 | Borusuz | - | - | 71,5 |
| 730.3.KK.014.00 | B1 | 60 | 174,4 | 48x1,5x30-DIN5480 | 140 | Borusuz | - | - | 84,2 |
| 730.3.KK.015.00 | B1 | 60 | 172 | 48x1,5x30-DIN5480 | 140 | Borusuz | - | - | 71,5 |
| 730.3.KK.016.00 | B1 | 60 | 200 | 48x1,5x30-DIN5480 | 140 | Borusuz | - | - | 71,5 |
| 730.3.KK.017.00 | A2 | 60 | 189 | 48x1,5x30-DIN5480 | 140 | Ø90x3,0 | - | - | 84,3 |
| 730.3.KK.018.00 | A2 | 60 | 186 | 48x1,5x30-DIN5480 | 140 | Ø70x4,0 | - | - | 62,3 |
| 730.3.KK.018.01 | A2 | 60 | 186 | 48x1,5x30-DIN5480 | 140 | Ø70x4,0 | - | - | 62,3 |
| 735.3.KK.001.00 | A2 | 90 | 246 | 75x2,5x28-DIN5480 | 205 | Ø110x6,0 | - | - | 98,3 |
| 735.3.KK.002.00 | A2 | 90 | 246 | 75x2,5x28-DIN5480 | 205 | Ø100x6,0 | - | - | 88,3 |
| 735.3.KK.003.00 | A2 | 90 | 246 | 75x2,5x28-DIN5480 | 205 | Ø100x5,0 | - | - | 90,3 |
| 735.3.KK.004.00 | A2 | 90 | 216 | 75x2,5x28-DIN5480 | 175 | Ø100x6,0 | - | - | 88,3 |
| 740.3.KK.001.00 | A1 | 77 | 247,5 | 62x1,75x34-DIN5480 | 205 | Ø100x4,0 | - | - | 92,3 |
| 740.3.KK.001.01 | A2 | 77 | 247,5 | 62x1,75x34-DIN5480 | 205 | Ø100x4,0 | - | - | 92,3 |
| 740.3.KK.001.02 | A1 | 77 | 247,5 | 62x1,75x34-DIN5480 | 205 | Ø100x4,0 | - | - | 92,3 |
| 740.3.KK.001.03 | A2 | 77 | 247,5 | 62x1,75x34-DIN5480 | 205 | Ø100x4,0 | - | - | 92,3 |
| 740.3.KK.002.00 | A1 | 77 | 181,5 | 62x1,75x34-DIN5480 | 135 | Ø100x4,0 | - | - | 92,3 |
| 740.3.KK.002.01 | A2 | 77 | 181,5 | 62x1,75x34-DIN5480 | 135 | Ø100x4,0 | - | - | 92,3 |
| 740.3.KK.003.00 | A1 | 77 | 175 | 62x1,75x34-DIN5480 | 138 | Ø120x3,0 | - | - | 114,3 |
| 740.3.KK.004.00 | C | N/A | 175 | 62x1,75x34-DIN5480 | 138 | Ø120x3,0 | 75 | 73,6 | 114,3 |
| 740.3.KK.004.01 | C | N/A | 175 | 62x1,75x34-DIN5480 | 138 | Ø120x3,0 | 75 | 73,6 | 114,3 |
| 740.3.KK.005.00 | A1 | 77 | 175 | 62x1,75x34-DIN5480 | 138 | Ø120x4,0 | - | - | 112,3 |
| 740.3.KK.005.01 | A2 | 77 | 175 | 62x1,75x34-DIN5480 | 138 | Ø120x4,0 | - | - | 112,3 |
| 740.3.KK.006.00 | A1 | 77 | 190 | 62x1,75x34-DIN5480 | 148 | Ø120x4,0 | - | - | 112,3 |
| 740.3.KK.007.00 | A1 | 77 | 190 | 62x1,75x34-DIN5480 | 148 | Ø120x3,0 | - | - | 114,3 |
| 740.3.KK.008.00 | A1 | 77 | 247,5 | 62x1,75x34-DIN5480 | 205 | Ø100x4,5 | - | - | 91,3 |
| 740.3.KK.009.00 | C | N/A | 179 | 62x1,75x34-DIN5480 | 138 | Ø120x4,0 | 75 | 77,6 | 112,3 |
| 740.3.KK.009.01 | C | N/A | 179 | 62x1,75x34-DIN5480 | 138 | Ø120x4,0 | 75 | 77,6 | 112,3 |
| 740.3.KK.010.00 | B1 | 77 | 180 | 62x1,75x34-DIN5480 | 140 | Borusuz | - | - | 92,2 |
| 740.3.KK.011.00 | B1 | 77 | 276 | 62x1,75x34-DIN5480 | 209 | Borusuz | - | - | 92,2 |
| 740.3.KK.012.00 | B1 | 77 | 130 | 62x1,75x34-DIN5480 | 90 | Borusuz | - | - | 92,2 |
| 740.3.KK.013.00 | B1 | 77 | 141 | 62x1,75x34-DIN5480 | 100 | Borusuz | - | - | 92,2 |
| 740.3.KK.015.00 | B1 | 77 | 236 | 62x1,75x34-DIN5480 | 165 | Borusuz | - | - | 92,2 |
| 740.3.KK.016.00 | B1 | 77 | 196 | 62x1,75x34-DIN5480 | 125 | Borusuz | - | - | 92,2 |
| 740.3.KK.021.00 | A1 | 77 | 207 | 62x1,75x34-DIN5480 | 170 | Ø100x4,5 | - | - | 91,3 |
| 740.3.KK.022.00 | B1 | 77 | 202 | 62x1,75x34-DIN5480 | 154 | Borusuz | - | - | 92,2 |
| 745.3.KK.001.00 | A1 | 84 | 179 | 68x1,75x38-DIN5480 | 134 | Ø120x4,0 | - | - | 112,3 |
| 745.3.KK.001.01 | A2 | 84 | 179 | 68x1,75x38-DIN5480 | 135 | Ø120x4,0 | - | - | 112,3 |
| 745.3.KK.002.00 | B1 | 84 | 204 | 68x1,75x38-DIN5480 | 135 | Borusuz | - | - | 112,5 |
| 745.3.KK.005.00 | A1 | 84 | 260 | 68x1,75x38-DIN5480 | 215 | Ø120x4,0 | - | - | 112,3 |
| 745.3.KK.005.01 | A2 | 84 | 260 | 68x1,75x38-DIN5480 | 215 | Ø120x4,0 | - | - | 112,3 |
| 745.3.KK.006.00 | B1 | 84 | 273 | 68x1,75x38-DIN5480 | 210 | Borusuz | - | - | 100,3 |
| 745.3.KK.007.00 | B1 | 84 | 280 | 68x1,75x38-DIN5480 | 210 | Borusuz | - | - | 112,3 |
| 745.3.KK.008.00 | B1 | 84 | 174 | 68x1,75x38-DIN5480 | 125 | Borusuz | - | - | 112,3 |
| 745.3.KK.009.00 | B1 | 84 | 148 | 68x1,75x38-DIN5480 | 112 | Borusuz | - | - | 111,3 |
| 745.3.KK.010.00 | A2 | 84 | 273 | 68x1,75x38-DIN5480 | 230 | Ø120x4,0 | - | - | 112,3 |
| 745.3.KK.020.00 | B1 | 84 | 156,5 | 68x1,75x38-DIN5480 | 125 | Borusuz | - | - | 111,3 |
| 745.3.KK.021.00 | B1 | 84 | 178 | 68x1,75x38-DIN5480 | 135 | Borusuz | - | - | 111,3 |
| 746.3.KK.002.00 | B1 | 90 | 270 | 75x2,5x28-DIN5480 | 195 | Borusuz | - | - | 88 |
| 746.3.KK.003.00 | B1 | 90 | 245 | 75x2,5x28-DIN5480 | 192 | Borusuz | - | - | 88 |
| 746.3.KK.006.00 | A1 | 90 | 253 | 75x2,5x28-DIN5480 | 220 | Ø105x3,5 | - | - | 98,3 |
| 746.3.KK.007.00 | A2 | 93,2 | 253 | 75x2,5x28-DIN5480 | 210 | Ø111x6,5 | - | - | 98,3 |
| 746.3.KK.007.01 | A2 | 93,2 | 253 | 75x2,5x28-DIN5480 | 210 | Ø111x6,5 | - | - | 98,3 |
| 746.3.KK.011.00 | B1 | 90 | 270 | 75x2,5x28-DIN5480 | 200 | Borusuz | - | - | 98 |
| 746.3.KK.012.00 | B1 | 90 | 245 | 75x2,5x28-DIN5480 | 170 | Borusuz | - | - | 98 |
| 746.3.KK.013.00 | B2 | 93,2 | 161 | 75x2,5x28-DIN5480 | 105 | Borusuz | - | - | 90 |
| 746.3.KK.014.00 | B2 | 93,2 | 200 | 75x2,5x28-DIN5480 | 145 | Borusuz | - | - | 90 |
| 746.3.KK.015.00 | B2 | 93,2 | 250 | 75x2,5x28-DIN5480 | 195 | Borusuz | - | - | 90 |
| 746.3.KK.016.00 | B2 | 93,2 | 200 | 75x2,5x28-DIN5480 | 145 | Borusuz | - | - | 90 |
| 755.3.KK.001.00 | A1 | 95 | 192 | 78x2x38-DIN5480 | 144 | Ø120x6,0 | - | - | 108,3 |
| 755.3.KK.002.00 | A1 | 95 | 192 | 78x2x38-DIN5480 | 145 | Ø110x6,0 | - | - | 98,3 |
| 755.3.KK.002.01 | A2 | 95 | 192 | 78x2x38-DIN5480 | 145 | Ø110x6,0 | - | - | 98,3 |
| 755.3.KK.003.00 | C | N/A | 192 | 78x2x38-DIN5480 | 145 | Ø120x6,0 | 85 | 105,5 | 108,3 |
| 755.3.KK.004.00 | A1 | 95 | 192 | 78x2x38-DIN5480 | 150 | Ø120x4,0 | - | - | 112,3 |
| 755.3.KK.005.00 | B1 | 95 | 218 | 78x2x38-DIN5480 | 150 | Borusuz | - | - | 98 |
| 755.3.KK.006.00 | B1 | 95 | 192 | 78x2x38-DIN5480 | 150 | Borusuz | - | - | 108,2 |
| 755.3.KK.009.00 | B1 | 95 | 201 | 78x2x38-DIN5480 | 160 | Borusuz | - | - | 108,2 |
| 755.3.KK.010.00 | C | N/A | 300 | 78x2x38-DIN5480 | 230 | Ø120x6,0 | 85 | 120 | 108,3 |
| 755.3.KK.011.00 | B1 | 95 | 250 | 78x2x38-DIN5480 | 205 | Borusuz | - | - | 108,2 |
| 755.3.KK.001.01 | A2 | 95 | 192 | 78x2x38-DIN5480 | 144 | Ø120x6,0 | - | - | 108,3 |
| 755.3.KK.050.00 | A1 | 95 | 135 | 78x2x38-DIN5480 | 100 | Ø88,9x2,4 | - | - | 84,4 |
| 760.3.KK.001.00 | A2 | 99 | 212 | 82x2,0x40x25° | 160 | Ø130x6,0 | - | - | 118,3 |
| 765.3.KK.001.00 | A1 | 110 | 218 | 90x2,5x34-DIN5480 | 155 | Ø142x6,0 | - | - | 130,3 |
| 765.3.KK.001.01 | A2 | 110 | 218 | 90x2,5x34-DIN5480 | 155 | Ø142x6,0 | - | - | 130,3 |
| 765.3.KK.002.00 | A1 | 110 | 237 | 90x2,5x34-DIN5480 | 170 | Ø140x5,0 | - | - | 130,3 |
| 765.3.KK.002.01 | A2 | 110 | 237 | 90x2,5x34-DIN5480 | 170 | Ø140x5,0 | - | - | 130,3 |
| 765.3.KK.005.00 | A1 | 110 | 260 | 90x2,5x34-DIN5480 | 220 | Ø140x5,0 | - | - | 130,3 |
| 765.3.KK.006.00 | A2 | 110,2 | 262 | 90x2,5x34-DIN5480 | 208 | Ø142x6,0 | - | - | 130,3 |
| 765.3.KK.007.00 | B1 | 110 | 243 | 90x2,5x34-DIN5480 | 155 | Borusuz | - | - | 130,2 |
| 765.3.KK.009.00 | A2 | 110,2 | 262 | 90x2,5x34-DIN5480 | 205 | Ø124x8,0 | - | - | 108,3 |
| 765.3.KK.009.01 | A2 | 110,2 | 262 | 90x2,5x34-DIN5480 | 205 | Ø124x8,0 | - | - | 108,3 |
| 765.3.KK.010.00 | A2 | 110,2 | 262 | 90x2,5x34-DIN5480 | 208 | Ø124x8,0 | - | - | 108,3 |
| 765.3.KK.010.01 | A2 | 110,2 | 262 | 90x2,5x34-DIN5480 | 208 | Ø124x8,0 | - | - | 108,3 |
| 765.3.KK.011.00 | B2 | 110 | 273 | 90x2,5x34-DIN5480 | 203 | Borusuz | - | - | 130,2 |
| 765.3.KK.001.01 | A2 | 110 | 218 | 90x2,5x34-DIN5480 | 155 | Ø142x6,0 | - | - | 130,3 |
| 765.3.KK.012.00 | B2 | 110,2 | 189 | 90x2,5x34-DIN5480 | 157 | Borusuz | - | - | 104 |
| 765.3.KK.013.00 | B1 | 110 | 213 | 90x2,5x34-DIN5480 | 150 | Borusuz | - | - | 130,2 |
Copyrights © 2024 All Rights Reserved.