
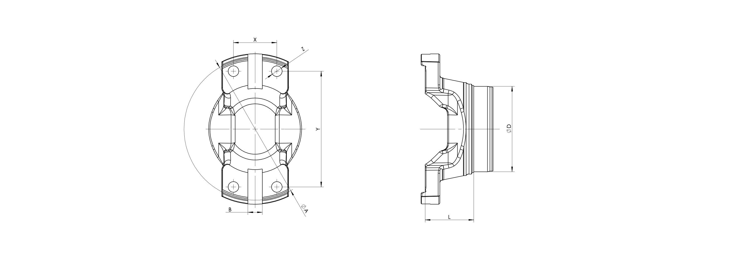
| PARÇA NO / PART NO | SERİ SERIE | ØA | B | X | Y | Z | L | ØD | BORU / TUBE | ß° |
| 04C.3.TC.001.00 | 4C | 108,0 | 9,5 | 36,5 | 87,3 | Ø8,1 | 35 | 46,3 | Ø50,8x2,4 | - |
| 05C.3.TC.001.00 | 5C | 115,1 | 14,3 | 42,9 | 88,9 | 3/8"- 24 | 40,5 | 71,7 | Ø76,2x2,4 | - |
| 06C.3.TC.001.00 | 6C | 140,5 | 14,3 | 42,85 | 114,3 | 3/8"- 24 | 48 | 84,4 | Ø88,9x2,4 | 30 |
| 06C.3.TC.002.00 | 6C | 140,5 | 14,3 | 42,85 | 114,3 | 3/8"- 24 | 48 | 71,7 | Ø76,2x2,4 | 30 |
| 07C.3.TC.001.00 | 7C | 148,4 | 15,9 | 49,2 | 117,5 | 1/2"-20 | 48 | 82,3 | Ø90,0x4,0 | 22 |
| 07C.3.TC.001.01 | 7C | 148,4 | 15,9 | 49,2 | 117,5 | 1/2"-20 | 48 | 82,3 | Ø90,0x4,0 | 22 |
| 07C.3.TC.002.00 | 7C | 148,4 | 15,9 | 49,2 | 117,5 | 1/2"-20 | 53,8 | 80,3 | Ø88,0x4,0 | 22 |
| 07C.3.TC.002.01 | 7C | 148,4 | 15,9 | 49,2 | 117,5 | 1/2"-20 | 48 | 80,3 | Ø88,0x4,0 | 22 |
| 07C.3.TC.003.00 | 7C | 148,4 | 15,9 | 49,2 | 117,5 | 1/2"-20 | 54 | 84,4 | Ø88,9x2,4 | 22 |
| 07C.3.TC.004.00 | 7C | 148,4 | 15,9 | 49,2 | 117,5 | 1/2"-20 | 54 | 84,3 | Ø90,0x3,0 | 22 |
| 07C.3.TC.005.00 | 7C | 148,4 | 15,9 | 49,2 | 117,5 | 1/2"-20 | 48 | 84,3 | Ø90,0x3,0 | 22 |
| 85C.3.TC.002.00 | 8.5C | 165,1 | 15,9 | 71,4 | 123,8 | 1/2"- 20 | 66,7 | 95,1 | Ø101,6x3,4 | 25 |
| 85C.3.TC.003.00 | 8.5C | 165,1 | 15,9 | 71,4 | 123,8 | 1/2"- 20 | 65 | 88,3 | Ø100,0x6,0 | 22 |
| 85C.3.TC.003.01 | 8.5C | 165,1 | 15,9 | 71,4 | 123,8 | 1/2"- 20 | 65 | 88,3 | Ø100,0x6,0 | 22 |
| 85C.3.TC.004.00 | 8.5C | 165,1 | 15,9 | 71,4 | 123,8 | 1/2"- 20 | 66,7 | 95,1 | Ø101,6x3,4 | 22 |
| 85C.3.TC.004.01 | 8.5C | 165,1 | 15,9 | 71,4 | 123,8 | 1/2"- 20 | 66,7 | 95,1 | Ø101,6x3,4 | 22 |
| 85C.3.TC.005.00 | 8.5C | 165,1 | 15,9 | 71,4 | 123,8 | 1/2"- 20 | 66,5 | 88,3 | Ø100,0x6,0 | 22 |
| 85C.3.TC.005.01 | 8.5C | 165,1 | 15,9 | 71,4 | 123,8 | 1/2"- 20 | 66,5 | 88,3 | Ø100,0x6,0 | 22 |
| 85C.3.TC.005.02 | 8.5C | 165,1 | 15,9 | 71,4 | 123,8 | M12x1,75 | 66,5 | 88,3 | Ø100,0x6,0 | 22 |
| 09C.3.TC.001.00 | 9C | 209,6 | 15,9 | 71,42 | 168,28 | 1/2"- 20 | 60 | 108,3 | Ø120,0x6,0 | - |
Copyrights © 2024 All Rights Reserved.